تحليل تكنولوجيا قياس السيرة الذاتية لأجهزة أشباه الموصلات
May 27, 2025
ترك رسالة
تحليل السيرة الذاتيةMالحملTصحةSأشباه الموصلاتDأجهزة
أساسيات مبدأ قياس السيرة الذاتية
مبدأ أداة السيرة الذاتية للجسر التوازن الذاتي
يتم قياس مقاومة الجهاز بواسطة الصيغة zx=ix\/vx:
محطة HC\/HP: قم بتطبيق إشارة التيار المتردد وتحيز DC ، والمراقبة في الوقت الفعلي لمحطة LC الجهد في كلا طرفي DUT: بناء أرضية افتراضية من خلال المقاومة المرجعية RR ، وحساب بدقة IX=RR
الشكل 1: مخطط كتلة مبسط لأداة السيرة الذاتية للجسر ذاتي التوازن
0010-21631 AB غرفة الغرفة
مقارنة طرق الاتصال السائدة
|
طُرق |
الخصوصية |
السيناريوهات المعمول بها |
|
4pt طريقة أربعة سلك |
دقة عالية ، اكتشاف تيار\/جهد مستقل |
قياسات دقيقة في المختبر |
|
S -2 T محميين محليين |
كابلات مبسطة (منفذان) مع تعويض الخطأ |
اختبار الإنتاج الضخم ، اختبار مفصل IV\/CV متكامل |

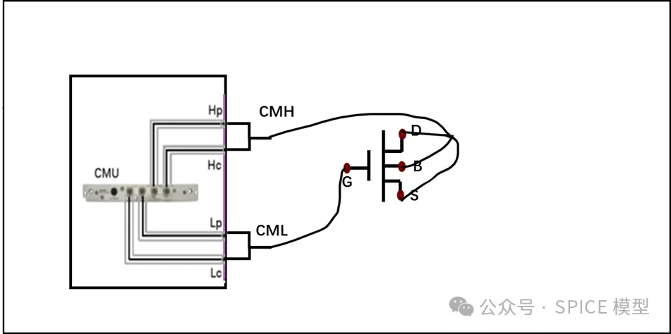
الشكل 2: اعتماد طرفيين محميين (S -2 t) طريقة التوصيل
نصائح تجنب مواد اختبار على مستوى الويفر
19-024277-01 سخان ، 8inch ، 6pcs
يقيس السيرة الذاتية على الفوضى ثلاثة مصادر رئيسية للتداخل: السعة الطفيلية تشاك ، تيار التسرب ، والضوضاء المحيطة
حل التحسين:
إستراتيجية الأسلاك: ترتبط محطة الطرف المنخفض (CML) بالبوابة لعزل ضوضاء تشاك ؛ اختصر طول الكبل S -2 t (موصى به <30 سم)
إعداد المعلمة: مستوى الإشارة: أكبر من أو يساوي 100mV (تحسين نسبة الإشارة إلى الضوضاء) ؛ وقت التكامل: الوضع المتوسط\/الطويل (التضحية بالسرعة للدقة) ؛ اختيار التردد: 1 كيلو هرتز -100 khz نطاق تردد منخفض (لتجنب التأثيرات الطفيلية)
الشكل 3: رسم تخطيطي لاختبار على الفرق
مقدمة إلى وحدة Keysight B1500a CV
الأجهزةSحلول
وحدة قياس السعة MFCMU: وحدة قياس السعة متعددة الترددات (فتحة واحدة متكاملة) وحدة SMU: دقة DC DC DC DC SOURCE SCUU+GSWU مزيج: تبديل سلس لقياسات CV\/IV ، خطأ التوجيه<0.1%

الشكل 4: رسم تخطيطي لوحدة ودائرة SCCUU
عمليات البرمجيات
يعمل Waferpro Express في ثلاث خطوات:
قم بإنشاء روتين اختبار (حدد التحفيز المطبق على دبوس دبليو ، هناك روتين افتراضي اختياري) ، وتكوين تحيز SMU (رابط VGS\/VDS\/VBS متعدد المعلمات) ، وضبط معلمات مسح السيرة الذاتية (وقت التردد\/المستوى\/التكامل ، إلخ).
موسفيت توصيف السعة في الممارسة العملية
تحليل مكونات السعة الرئيسية
يوضح الرسم البياني التالي توزيع السعة في MOSFET:

图 5: mosfet 器件界面图
CGC (capacitance gate-channel): c 4+ c 1+ c6 (含交叠电容)
CGB (سعة البوابة-السعة): خصائص الجهاز المهيمن تحت التحيز العكسي
CGG (سعة الشبكة): تقييم كامل سرعة التبديل للجهاز
CGD ، CGS (البوابة والمكثفات مستوى الصرف\/المصدر)
استنزاف ومستوى مفترس السعة
أمثلة تكوين الاختبار
|
نوع الاختبار |
طريقة الاتصال |
مجموعة روتين Waferpro |
|
CGC _ vgs _ vbs |
|
|
|
cgb _ vgb _ vdb |
|
|
|
CGD _ vds _ vgs |
|
|
|
cgg _ vgs _ vds |
|
|
اتجاهات التكنولوجيا
مع تطور الجيل الثالث من أجهزة أشباه الموصلات إلى التردد العالي والجهد العالي ، يواجه قياس السيرة الذاتية اتجاهين رئيسيين للترقية:
قياس النطاق العريض: تم تقديم اختبار متوسع إلى نطاقات عالية التردد أعلى من 100 ميجا هرتز ، S-parameter. تحليل السيرة الذاتية الديناميكية: التحقيق في ترحيل الخصائص السعة تحت تبديل العابرين
إرسال التحقيق










